R168減速機詳細信息
R168減速機
R168減速機傳動比計算:齒輪減速馬達
輸送帶參數:輪子直徑400,負載50噸,一分鐘走12米
12米÷(0.4輪子直徑×3.14)=9.55轉每分鐘
50噸換算成N=500000N
500000×0.2輪子半徑×0.06摩擦系數=6000N.m
通常確保萬無一失,我們會把輸出扭矩放大兩倍6000×2=12000N.m
電機轉數1400÷輸出轉數9.55=146.59比
12000N.m輸出扭矩÷146.59比=81.86N.m電機扭矩
81.86N.m電機扭矩換算成功率13KW以上
對應的R168減速機選型參數:
型號:R168-B15KW
減速比:153.07
輸出轉數:9.6轉每分鐘
輸出扭矩:14900N.m
安全系數:1.20
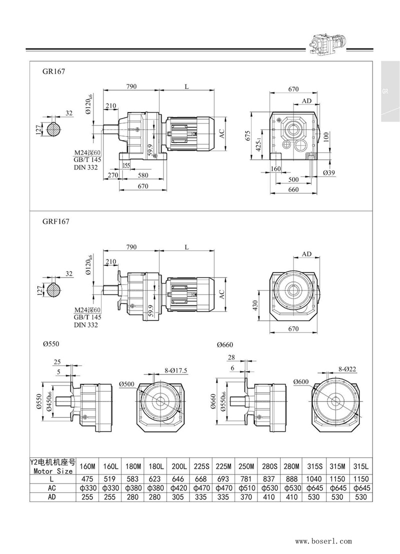
R168減速機平面圖紙:輸出軸Φ20+鍵2.5(可定做),高134*寬135*長174(帶輸出軸)R系列減速機

R168臥式硬齒面斜齒輪減速機型號:
R167FDM160M4,R167FDM180L4,R167FDM180LC4,R167FDM180M4,R167FDM180S4,R167FDM200L4,R167FDM225M4,R167FDM225S4,R167FDM250M4,R167FDM280M4,R167FDM280S4,R167FDM315H4,R167FDM315K4,R167FDM315L4,R167FDM315M4,R167FDM315M4A,R167FDM315M4B,R167FDM315S4,R167FDR160M4,R167FDR180L4,R167FDR180LC4,R167FDR180M4,R167FDR180S4,R167FDR200L4,R167FDR225M4,R167FDR225S4,R167FDR250M4,R167FDR280M4,R167FDR280S4,R167FDR315H4,R167FDR315K4,R167FDR315L4,R167FDR315M4,R167FDR315M4A,R167FDR315M4B,R167FDR315S4,R167FDRE160M4,R167FDRE180L4,R167FDRE180LC4,R167FDRE180M4,R167FDRE180S4,R167FDRE200L4,R167FDRE225M4,R167FDRE225S4,R167FDRE250M4,R167FDRE280M4,R167FDRE280S4,R167FDRE315H4,R167FDRE315K4,R167FDRE315L4,R167FDRE315M4,R167FDRE315M4A,R167FDRE315M4B,R167FDRE315S4,R167FDRN160M4,R167FDRN180L4,R167FDRN180LC4,R167FDRN180M4,R167FDRN180S4,R167FDRN200L4,R167FDRN225M4,R167FDRN225S4,R167FDRN250M4,R167FDRN280M4,R167FDRN280S4,R167FDRN315H4,R167FDRN315K4,R167FDRN315L4,R167FDRN315M4,R167FDRN315M4A,R167FDRN315M4B,R167FDRN315S4,R167FDRS160M4,R167FDRS180L4,R167FDRS180LC4,R167FDRS180M4,R167FDRS180S4,R167FDRS200L4,R167FDRS225M4,R167FDRS225S4,R167FDRS250M4,R167FDRS280M4,R167FDRS280S4,R167FDRS315H4,R167FDRS315K4,R167FDRS315L4,R167FDRS315M4,R167FDRS315M4A,R167FDRS315M4B,R167FDRS315S4,R167FDT160M4,R167FDT180L4,R167FDT180LC4,R167FDT180M4,R167FDT180S4,R167FDT200L4,R167FDT225M4,R167FDT225S4,R167FDT250M4,R167FDT280M4,R167FDT280S4,R167FDT315H4,R167FDT315K4,R167FDT315L4,R167FDT315M4,R167FDT315M4A,R167FDT315M4B,R167FDT315S4,R167FDV160M4,R167FDV180L4,R167FDV180LC4,R167FDV180M4,R167FDV180S4,R167FDV200L4,R167FDV225M4,R167FDV225S4,R167FDV250M4,R167FDV280M4,R167FDV280S4,R167FDV315H4,R167FDV315K4,R167FDV315L4,R167FDV315M4,R167FDV315M4A,R167FDV315M4B,R167FDV315S4,R167FDVE160M4,R167FDVE180L4,R167FDVE180LC4,R167FDVE180M4,R167FDVE180S4,R167FDVE200L4,R167FDVE225M4,R167FDVE225S4,R167FDVE250M4,R167FDVE280M4,R167FDVE280S4,R167FDVE315H4,R167FDVE315K4,R167FDVE315L4,R167FDVE315M4,R167FDVE315M4A,R167FDVE315M4B,R167FDVE315S4,R167F-Y110KW,R167F-Y11KW,R167F-Y132KW,R167F-Y15KW,R167F-Y160M4,R167F-Y18.5KW,R167F-Y180M4,R167F-Y200M4,R167F-Y225M4,R167F-Y22KW,R167F-Y250M4,R167F-Y280M4,R167F-Y30KW,R167F-Y315M4,R167F-Y37KW,R167F-Y45KW,R167F-Y55KW,R167F-Y75KW,R167F-Y90KW,R167F-YEJ110KW,R167F-YEJ11KW,R167F-YEJ132KW,R167F-YEJ15KW,R167F-YEJ160M4,R167F-YEJ18.5KW,R167F-YEJ180M4,R167F-YEJ200M4,R167F-YEJ225M4,R167F-YEJ22KW,R167F-YEJ250M4,R167F-YEJ280M4,R167F-YEJ30KW,R167F-YEJ315M4,R167F-YEJ37KW,R167F-YEJ45KW,R167F-YEJ55KW,R167F-YEJ75KW,R167F-YEJ90KW,R167F-YVP110KW,R167F-YVP11KW,R167F-YVP132KW,R167F-YVP15KW,R167F-YVP160M4,R167F-YVP18.5KW,R167F-YVP180M4,R167F-YVP200M4,R167F-YVP225M4,R167F-YVP22KW,R167F-YVP250M4,R167F-YVP280M4,R167F-YVP30KW,R167F-YVP315M4,R167F-YVP37KW,R167F-YVP45KW,R167F-YVP55KW,R167F-YVP75KW,R167F-YVP90KW,R167F-YVPEJ110KW,R167F-YVPEJ11KW,R167F-YVPEJ132KW,R167F-YVPEJ15KW,R167F-YVPEJ160M4,R167F-YVPEJ18.5KW,R167F-YVPEJ180M4,R167F-YVPEJ200M4,R167F-YVPEJ225M4,R167F-YVPEJ22KW,R167F-YVPEJ250M4,R167F-YVPEJ280M4,R167F-YVPEJ30KW,R167F-YVPEJ315M4,R167F-YVPEJ37KW,R167F-YVPEJ45KW,R167F-YVPEJ55KW,R167F-YVPEJ75KW,R167F-YVPEJ90KW。

R167系列減速機參數大全:同軸斜齒輪減速電機
R167F減速機配11KW電機參數
| 型號 | 減速比 | 功率 | 重量 | 力矩 |
| R167F-Y11KW | 229.71 | 11KW | 700kg | 120000N |
| R167F-Y11KW | 186.93 | 11KW | 700kg | 120000N |
| R167F-Y11KW | 153.07 | 11KW | 700kg | 120000N |
| R167F-Y11KW | 139.98 | 11KW | 700kg | 120000N |
| R167F-Y11KW | 121.81 | 11KW | 700kg | 120000N |
| R167F-Y11KW | 107.49 | 11KW | 700kg | 120000N |
| R167F-Y11KW | 93.19 | 11KW | 700kg | 120000N |
| R167F-Y11KW | 82.91 | 11KW | 700kg | 120000N |
R167F減速機配15KW電機參數
| 型號 | 減速比 | 功率 | 重量 | 力矩 |
| R167F-Y15KW | 229.71 | 15KW | 730kg | 120000N |
| R167F-Y15KW | 186.93 | 15KW | 730kg | 120000N |
| R167F-Y15KW | 153.07 | 15KW | 730kg | 120000N |
| R167F-Y15KW | 139.98 | 15KW | 730kg | 120000N |
| R167F-Y15KW | 121.81 | 15KW | 730kg | 120000N |
| R167F-Y15KW | 107.49 | 15KW | 730kg | 120000N |
| R167F-Y15KW | 93.19 | 15KW | 730kg | 120000N |
| R167F-Y15KW | 82.91 | 15KW | 730kg | 120000N |
| R167F-Y15KW | 73.7 | 15KW | 730kg | 120000N |
| R167F-Y15KW | 67.4 | 15KW | 730kg | 120000N |
R167F減速機配18.5KW電機參數
| 型號 | 減速比 | 功率 | 重量 | 力矩 |
| R167F-Y18.5KW | 186.93 | 18.5KW | 740kg | 120000N |
| R167F-Y18.5KW | 153.07 | 18.5KW | 740kg | 120000N |
| R167F-Y18.5KW | 139.98 | 18.5KW | 740kg | 120000N |
| R167F-Y18.5KW | 121.81 | 18.5KW | 740kg | 120000N |
| R167F-Y18.5KW | 107.49 | 18.5KW | 740kg | 120000N |
| R167F-Y18.5KW | 93.19 | 18.5KW | 740kg | 120000N |
| R167F-Y18.5KW | 82.91 | 18.5KW | 740kg | 120000N |
| R167F-Y18.5KW | 73.7 | 18.5KW | 740kg | 120000N |
| R167F-Y18.5KW | 67.4 | 18.5KW | 740kg | 120000N |
| R167F-Y18.5KW | 58.65 | 18.5KW | 740kg | 120000N |
R167F減速機配22KW電機參數
| 型號 | 減速比 | 功率 | 重量 | 力矩 |
| R167F-Y22KW | 153.07 | 22KW | 760kg | 120000N |
| R167F-Y22KW | 139.98 | 22KW | 760kg | 120000N |
| R167F-Y22KW | 121.81 | 22KW | 760kg | 120000N |
| R167F-Y22KW | 107.49 | 22KW | 760kg | 120000N |
| R167F-Y22KW | 93.19 | 22KW | 760kg | 120000N |
| R167F-Y22KW | 82.91 | 22KW | 760kg | 120000N |
| R167F-Y22KW | 73.7 | 22KW | 760kg | 120000N |
| R167F-Y22KW | 67.4 | 22KW | 760kg | 120000N |
| R167F-Y22KW | 58.65 | 22KW | 760kg | 120000N |
| R167F-Y22KW | 51.76 | 22KW | 760kg | 120000N |
| R167F-Y22KW | 44.87 | 22KW | 760kg | 120000N |
R167F減速機配30KW電機參數
| 型號 | 減速比 | 功率 | 重量 | 力矩 |
| R167F-Y30KW | 107.49 | 30kw | 860kg | 120000N |
| R167F-Y30KW | 93.19 | 30kw | 860kg | 120000N |
| R167F-Y30KW | 82.91 | 30kw | 860kg | 120000N |
| R167F-Y30KW | 73.7 | 30kw | 860kg | 120000N |
| R167F-Y30KW | 67.4 | 30kw | 860kg | 120000N |
| R167F-Y30KW | 58.65 | 30kw | 860kg | 120000N |
| R167F-Y30KW | 51.76 | 30kw | 860kg | 120000N |
| R167F-Y30KW | 44.87 | 30kw | 860kg | 120000N |
| R167F-Y30KW | 39.92 | 30kw | 860kg | 120000N |
| R167F-Y30KW | 34.41 | 30kw | 860kg | 120000N |
| R167F-Y30KW | 27.96 | 30kw | 860kg | 120000N |
| R167F-Y30KW | 23.71 | 30kw | 860kg | 120000N |
R167F減速機配37KW電機參數
| 型號 | 減速比 | 功率 | 重量 | 力矩 |
| R167F-Y37KW | 93.19 | 37kw | 890kg | 120000N |
| R167F-Y37KW | 82.91 | 37kw | 890kg | 120000N |
| R167F-Y37KW | 73.7 | 37kw | 890kg | 120000N |
| R167F-Y37KW | 67.4 | 37kw | 890kg | 120000N |
| R167F-Y37KW | 58.65 | 37kw | 890kg | 120000N |
| R167F-Y37KW | 51.76 | 37kw | 890kg | 120000N |
| R167F-Y37KW | 44.87 | 37kw | 890kg | 120000N |
| R167F-Y37KW | 39.92 | 37kw | 890kg | 120000N |
| R167F-Y37KW | 34.41 | 37kw | 890kg | 120000N |
| R167F-Y37KW | 27.96 | 37kw | 890kg | 120000N |
| R167F-Y37KW | 30.71 | 37kw | 890kg | 120000N |
| R167F-Y37KW | 24.57 | 37kw | 890kg | 120000N |
| R167F-Y37KW | 21.85 | 37kw | 890kg | 120000N |
| R167F-Y37KW | 19.03 | 37kw | 890kg | 120000N |
| R167F-Y37KW | 16.98 | 37kw | 890kg | 120000N |
R167F減速機配45KW電機參數
| 型號 | 減速比 | 功率 | 重量 | 力矩 |
| R167F-Y45KW | 73.7 | 45kw | 920kg | 120000N |
| R167F-Y45KW | 67.4 | 45kw | 920kg | 120000N |
| R167F-Y45KW | 58.65 | 45kw | 920kg | 120000N |
| R167F-Y45KW | 51.76 | 45kw | 920kg | 120000N |
| R167F-Y45KW | 44.87 | 45kw | 920kg | 120000N |
| R167F-Y45KW | 39.92 | 45kw | 920kg | 120000N |
| R167F-Y45KW | 34.41 | 45kw | 920kg | 120000N |
| R167F-Y45KW | 27.96 | 45kw | 920kg | 120000N |
| R167F-Y45KW | 23.71 | 45kw | 920kg | 120000N |
| R167F-Y45KW | 30.71 | 45kw | 920kg | 120000N |
| R167F-Y45KW | 24.57 | 45kw | 920kg | 120000N |
| R167F-Y45KW | 21.85 | 45kw | 920kg | 120000N |
| R167F-Y45KW | 19.03 | 45kw | 920kg | 120000N |
| R167F-Y45KW | 16.98 | 45kw | 920kg | 120000N |
R167F減速機配55KW電機參數
| 型號 | 減速比 | 功率 | 重量 | 力矩 |
| R167F-Y55KW | 58.65 | 55kw | 1040kg | 120000N |
| R167F-Y55KW | 51.76 | 55kw | 1040kg | 120000N |
| R167F-Y55KW | 44.87 | 55kw | 1040kg | 120000N |
| R167F-Y55KW | 39.92 | 55kw | 1040kg | 120000N |
| R167F-Y55KW | 34.41 | 55kw | 1040kg | 120000N |
| R167F-Y55KW | 27.96 | 55kw | 1040kg | 120000N |
| R167F-Y55KW | 23.71 | 55kw | 1040kg | 120000N |
| R167F-Y55KW | 24.57 | 55kw | 1040kg | 120000N |
| R167F-Y55KW | 21.85 | 55kw | 1040kg | 120000N |
| R167F-Y55KW | 19.03 | 55kw | 1040kg | 120000N |
| R167F-Y55KW | 16.98 | 55kw | 1040kg | 120000N |
| R167F-Y55KW | 14.48 | 55kw | 1040kg | 120000N |
| R167F-Y55KW | 11.99 | 55kw | 1040kg | 120000N |
R167F減速機配75KW電機參數
| 型號 | 減速比 | 功率 | 重量 | 力矩 |
| R167F-Y75KW | 44.87 | 75kw | 1110kg | 120000N |
| R167F-Y75KW | 39.92 | 75kw | 1110kg | 120000N |
| R167F-Y75KW | 34.41 | 75kw | 1110kg | 120000N |
| R167F-Y75KW | 27.96 | 75kw | 1110kg | 120000N |
| R167F-Y75KW | 23.71 | 75kw | 1110kg | 120000N |
| R167F-Y75KW | 24.57 | 75kw | 1110kg | 120000N |
| R167F-Y75KW | 21.85 | 75kw | 1110kg | 120000N |
| R167F-Y75KW | 19.03 | 75kw | 1110kg | 120000N |
| R167F-Y75KW | 16.98 | 75kw | 1110kg | 120000N |
| R167F-Y75KW | 14.48 | 75kw | 1110kg | 120000N |
| R167F-Y75KW | 11.99 | 75kw | 1110kg | 120000N |
| R167F-Y75KW | 10.24 | 75kw | 1110kg | 120000N |
R167F減速機配90KW電機參數
| 型號 | 減速比 | 功率 | 重量 | 力矩 |
| R167F-Y90KW | 39.92 | 90kw | 1190kg | 120000N |
| R167F-Y90KW | 34.41 | 90kw | 1190kg | 120000N |
| R167F-Y90KW | 27.96 | 90kw | 1190kg | 120000N |
| R167F-Y90KW | 23.71 | 90kw | 1190kg | 120000N |
| R167F-Y90KW | 19.03 | 90kw | 1190kg | 120000N |
| R167F-Y90KW | 16.98 | 90kw | 1190kg | 120000N |
| R167F-Y90KW | 14.48 | 90kw | 1190kg | 117300N |
| R167F-Y90KW | 11.99 | 90kw | 1190kg | 113500N |
| R167F-Y90KW | 10.24 | 90kw | 1190kg | 110100N |
R167F減速機配110KW電機參數
| 型號 | 減速比 | 功率 | 重量 | 力矩 |
| R167F-Y110KW | 27.96 | 110kw | 1440kg | 117100N |
| R167F-Y110KW | 23.71 | 110kw | 1440kg | 116900N |
| R167F-Y110KW | 19.03 | 110kw | 1440kg | 115500N |
| R167F-Y110KW | 16.98 | 110kw | 1440kg | 114300N |
| R167F-Y110KW | 14.48 | 110kw | 1440kg | 112200N |
| R167F-Y110KW | 11.99 | 110kw | 1440kg | 109300N |
| R167F-Y110KW | 10.24 | 110kw | 1440kg | 106500N |
R167F減速機配132KW電機參數
| 型號 | 減速比 | 功率 | 重量 | 力矩 |
| R167F-Y132KW | 23.71 | 132kw | 1520kg | 107900N |
| R167F-Y132KW | 19.03 | 132kw | 1520kg | 108300N |
| R167F-Y132KW | 16.98 | 132kw | 1520kg | 107800N |
| R167F-Y132KW | 14.48 | 132kw | 1520kg | 106700N |
| R167F-Y132KW | 11.99 | 132kw | 1520kg | 104700N |
| R167F-Y132KW | 10.24 | 132kw | 1520kg | 102600N |
R168減速機生產工廠展示:看廠請聯系微信13827261050,獲取位置,需提前一天預約
推薦類似型號:R148減速機
關鍵詞:同向減速機臥式配電機一體式_R系列減速電機_R系列減速機_R系列減速器_同向減速器_GR型減速機_R向減速機_R系列斜齒輪減速機_GR系列減速機_R型減速機_GR系列斜齒輪減速機
R系列減速機型號:R18減速機,R28減速機,R38減速機,R48減速機,R58減速機,R68減速機,R78減速機,R88減速機,R98減速機,R108減速機,R138減速機,R148減速機,R168減速機
R系列齒輪減速馬達可配變頻電機,剎車電機,防爆電機,伺服電機,交流電機,直流電機,三相電機,單相電機 0.12KW-132KW之間
如需工程師幫選型,請加微信13827261050,留言告知工程師參數要求
標簽:  R168減速機 R167臥式硬齒面斜齒輪減速機 R167系列減速機 R167減速機傳動比 R167減速機選型參數 R167減速機CAD三維圖
