R98減速電機詳細信息
R98減速電機
R98減速電機功率計算公式:齒輪減速馬達
軌道車參數:輥輪直徑200,承重4.5噸,駛行一分鐘10米
10米÷(0.2輥輪直徑×3.14)=15.9轉每分鐘
4.5噸換算成N=45000N
45000×0.1輥輪半徑×0.3橡膠輪水泥路的摩擦系數=270N.m
通常確保萬無一失,我們會把輸出扭矩放大兩倍270×2=540N.m
電機轉數1400÷輸出轉數15.9=88比
540N.m輸出扭矩÷88比=6.1N.m電機扭矩
6.1N.m電機扭矩換算成功率1KW以上
對應的R98減速機型號參數:
型號:R98-B1.5KW
減速比:92.48
輸出轉數:15轉每分鐘
輸出扭矩:920N.m
安全系數:3.20
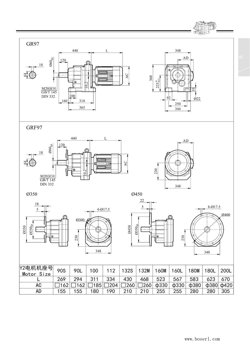
R98減速機基座尺寸:輸出軸Φ20+鍵2.5(可定做),高134*寬135*長174(帶輸出軸)R系列減速機

R98斜齒輪硬齒面減速機型號:

R98減速電機型號參數:同軸斜齒輪減速電機
R98減速機配0.55KW電機參數
| 型號 | 功率 | 轉數 | 扭矩 | 安全系數 |
| R97F-Y0.55KW | 0.55kw | 4.8rpm | 1100N.m | 2.7 |
| R97F-Y0.55KW | 0.55kw | 5.4rpm | 970N.m | 3.1 |
| R97F-Y0.55KW | 0.55kw | 5.7rpm | 910N.m | 3.3 |
| R97F-Y0.55KW | 0.55kw | 6.4rpm | 820N.m | 3.6 |
R98減速機配0.75KW電機參數
| 型號 | 功率 | 轉數 | 扭矩 | 安全系數 |
| R97F-Y0.75KW | 0.75kw | 4.9rpm | 1470N.m | 2 |
| R97F-Y0.75KW | 0.75kw | 5.5rpm | 1290N.m | 2.3 |
| R97F-Y0.75KW | 0.75kw | 5.8rpm | 1220N.m | 2.4 |
| R97F-Y0.75KW | 0.75kw | 6.5rpm | 1090N.m | 2.7 |
| R97F-Y0.75KW | 0.75kw | 7.6rpm | 940N.m | 3.2 |
| R97F-Y0.75KW | 0.75kw | 8.3rpm | 860N.m | 3.5 |
R98減速機配1.1KW電機參數
| 型號 | 功率 | 轉數 | 扭矩 | 安全系數 |
| R97F-Y1.1KW | 1.1kw | 5.5rpm | 1900N.m | 1.55 |
| R97F-Y1.1KW | 1.1kw | 5.8rpm | 1790N.m | 1.65 |
| R97F-Y1.1KW | 1.1kw | 6.5rpm | 1610N.m | 1.85 |
| R97F-Y1.1KW | 1.1kw | 7.5rpm | 1380N.m | 2.2 |
| R97F-Y1.1KW | 1.1kw | 8.2rpm | 1260N.m | 2.4 |
| R97F-Y1.1KW | 1.1kw | 9.3rpm | 1120N.m | 2.7 |
| R97F-Y1.1KW | 1.1kw | 11rpm | 940N.m | 3.2 |
| R97F-Y1.1KW | 1.1kw | 12rpm | 860N.m | 3.5 |
R98減速機配1.5KW電機參數
| 型號 | 功率 | 轉數 | 扭矩 | 安全系數 |
| R97F-Y1.5KW | 1.5kw | 5.5rpm | 2610N.m | 1.15 |
| R97F-Y1.5KW | 1.5kw | 5.8rpm | 2460N.m | 1.2 |
| R97F-Y1.5KW | 1.5kw | 6.5rpm | 2210N.m | 1.35 |
| R97F-Y1.5KW | 1.5kw | 7.5rpm | 1900N.m | 1.55 |
| R97F-Y1.5KW | 1.5kw | 8.2rpm | 1730N.m | 1.7 |
| R97F-Y1.5KW | 1.5kw | 9.3rpm | 1540N.m | 1.95 |
| R97F-Y1.5KW | 1.5kw | 11rpm | 1290N.m | 2.3 |
| R97F-Y1.5KW | 1.5kw | 12rpm | 1190N.m | 2.5 |
| R97F-Y1.5KW | 1.5kw | 14rpm | 1050N.m | 2.8 |
| R97F-Y1.5KW | 1.5kw | 15rpm | 940N.m | 3.2 |
R98減速機配2.2KW電機參數
| 型號 | 功率 | 轉數 | 扭矩 | 安全系數 |
| R97F-Y2.2KW | 2.2kw | 6.5rpm | 3240N.m | 0.9 |
| R97F-Y2.2KW | 2.2kw | 7.5rpm | 2790N.m | 1.05 |
| R97F-Y2.2KW | 2.2kw | 8.2rpm | 2550N.m | 1.2 |
| R97F-Y2.2KW | 2.2kw | 9.3rpm | 2260N.m | 1.35 |
| R97F-Y2.2KW | 2.2kw | 11rpm | 1900N.m | 1.6 |
| R97F-Y2.2KW | 2.2kw | 12rpm | 1740N.m | 1.7 |
| R97F-Y2.2KW | 2.2kw | 14rpm | 1550N.m | 1.95 |
| R97F-Y2.2KW | 2.2kw | 15rpm | 1380N.m | 2.2 |
| R97F-Y2.2KW | 2.2kw | 17rpm | 1240N.m | 2.4 |
| R97F-Y2.2KW | 2.2kw | 19rpm | 1080N.m | 2.8 |
| R97F-Y2.2KW | 2.2kw | 21rpm | 970N.m | 3.1 |
| R97F-Y2.2KW | 2.2kw | 23rpm | 890N.m | 3.3 |
| R97F-Y2.2KW | 2.2kw | 26rpm | 795N.m | 3.8 |
| R97F-Y2.2KW | 2.2kw | 29rpm | 710N.m | 4.2 |
R98減速機配3KW電機參數
| 型號 | 功率 | 轉數 | 扭矩 | 安全系數 |
| R97F-Y3KW | 3kw | 9.3rpm | 3080N.m | 0.95 |
| R97F-Y3KW | 3kw | 11rpm | 2590N.m | 1.15 |
| R97F-Y3KW | 3kw | 12rpm | 2380N.m | 1.25 |
| R97F-Y3KW | 3kw | 14rpm | 2110N.m | 1.4 |
| R97F-Y3KW | 3kw | 15rpm | 1890N.m | 1.6 |
| R97F-Y3KW | 3kw | 17rpm | 1700N.m | 1.75 |
| R97F-Y3KW | 3kw | 19rpm | 1470N.m | 2 |
| R97F-Y3KW | 3kw | 21rpm | 1330N.m | 2.2 |
| R97F-Y3KW | 3kw | 23rpm | 1220N.m | 2.4 |
| R97F-Y3KW | 3kw | 26rpm | 1080N.m | 2.8 |
| R97F-Y3KW | 3kw | 29rpm | 970N.m | 3.1 |
| R97F-Y3KW | 3kw | 33rpm | 870N.m | 3.4 |
| R97F-Y3KW | 3kw | 38rpm | 755N.m | 4 |
| R97F-Y3KW | 3kw | 42rpm | 680N.m | 4.2 |
R98減速機配4KW電機參數
| 型號 | 功率 | 轉數 | 扭矩 | 安全系數 |
| R97F-Y4KW | 4kw | 12rpm | 3100N.m | 0.95 |
| R97F-Y4KW | 4kw | 14rpm | 2750N.m | 1.1 |
| R97F-Y4KW | 4kw | 16rpm | 2460N.m | 1.25 |
| R97F-Y4KW | 4kw | 17rpm | 2210N.m | 1.35 |
| R97F-Y4KW | 4kw | 20rpm | 1920N.m | 1.55 |
| R97F-Y4KW | 4kw | 22rpm | 1740N.m | 1.75 |
| R97F-Y4KW | 4kw | 24rpm | 1600N.m | 1.9 |
| R97F-Y4KW | 4kw | 27rpm | 1420N.m | 2.1 |
| R97F-Y4KW | 4kw | 30rpm | 1270N.m | 2.4 |
| R97F-Y4KW | 4kw | 34rpm | 1140N.m | 2.6 |
| R97F-Y4KW | 4kw | 39rpm | 990N.m | 3.1 |
| R97F-Y4KW | 4kw | 43rpm | 880N.m | 3.3 |
R98減速機配5.5KW電機參數
| 型號 | 功率 | 轉數 | 扭矩 | 安全系數 |
| R97F-Y5.5KW | 5.5kw | 17rpm | 3020N.m | 1 |
| R97F-Y5.5KW | 5.5kw | 20rpm | 2620N.m | 1.15 |
| R97F-Y5.5KW | 5.5kw | 22rpm | 2370N.m | 1.25 |
| R97F-Y5.5KW | 5.5kw | 24rpm | 2170N.m | 1.4 |
| R97F-Y5.5KW | 5.5kw | 27rpm | 1930N.m | 1.55 |
| R97F-Y5.5KW | 5.5kw | 30rpm | 1720N.m | 1.75 |
| R97F-Y5.5KW | 5.5kw | 34rpm | 1550N.m | 1.95 |
| R97F-Y5.5KW | 5.5kw | 39rpm | 1340N.m | 2.2 |
| R97F-Y5.5KW | 5.5kw | 43rpm | 1200N.m | 2.4 |
| R97F-Y5.5KW | 5.5kw | 52rpm | 1000N.m | 2.7 |
| R97F-Y5.5KW | 5.5kw | 45rpm | 1160N.m | 2.7 |
| R97F-Y5.5KW | 5.5kw | 53rpm | 980N.m | 2.6 |
| R97F-Y5.5KW | 5.5kw | 58rpm | 900N.m | 3.1 |
| R97F-Y5.5KW | 5.5kw | 65rpm | 810N.m | 3.3 |
| R97F-Y5.5KW | 5.5kw | 72rpm | 730N.m | 3.6 |
| R97F-Y5.5KW | 5.5kw | 79rpm | 660N.m | 3.8 |
| R97F-Y5.5KW | 5.5kw | 89rpm | 585N.m | 4.1 |
R98減速機配7.5KW電機參數
| 型號 | 功率 | 轉數 | 扭矩 | 安全系數 |
| R97Y7.5KW | 7.5kw | 24rpm | 2970N.m | 1 |
| R97Y7.5KW | 7.5kw | 27rpm | 2630N.m | 1.15 |
| R97Y7.5KW | 7.5kw | 30rpm | 2350N.m | 1.25 |
| R97Y7.5KW | 7.5kw | 34rpm | 2120N.m | 1.4 |
| R97Y7.5KW | 7.5kw | 39rpm | 1840N.m | 1.65 |
| R97Y7.5KW | 7.5kw | 43rpm | 1640N.m | 1.75 |
| R97Y7.5KW | 7.5kw | 52rpm | 1360N.m | 1.95 |
| R97Y7.5KW | 7.5kw | 45rpm | 1580N.m | 1.6 |
| R97Y7.5KW | 7.5kw | 53rpm | 1340N.m | 1.9 |
| R97Y7.5KW | 7.5kw | 58rpm | 1240N.m | 2.3 |
| R97Y7.5KW | 7.5kw | 65rpm | 1100N.m | 2.4 |
| R97Y7.5KW | 7.5kw | 72rpm | 990N.m | 2.6 |
| R97Y7.5KW | 7.5kw | 79rpm | 900N.m | 2.8 |
R98減速機配11KW電機參數
| 型號 | 功率 | 轉數 | 扭矩 | 安全系數 |
| R97F-Y11KW | 11kw | 34rpm | 3070N.m | 0.95 |
| R97F-Y11KW | 11kw | 39rpm | 2670N.m | 1.1 |
| R97F-Y11KW | 11kw | 44rpm | 2390N.m | 1.2 |
| R97F-Y11KW | 11kw | 53rpm | 1980N.m | 1.35 |
| R97F-Y11KW | 11kw | 58rpm | 1800N.m | 1.55 |
| R97F-Y11KW | 11kw | 65rpm | 1600N.m | 1.7 |
| R97F-Y11KW | 11kw | 72rpm | 1440N.m | 1.8 |
| R97F-Y11KW | 11kw | 80rpm | 1310N.m | 1.9 |
| R97F-Y11KW | 11kw | 90rpm | 1160N.m | 2.1 |
| R97F-Y11KW | 11kw | 100rpm | 1050N.m | 2.2 |
| R97F-Y11KW | 11kw | 118rpm | 890N.m | 2.5 |
| R97F-Y11KW | 11kw | 135rpm | 775N.m | 2.7 |
| R97F-Y11KW | 11kw | 157rpm | 665N.m | 3 |
| R97F-Y11KW | 11kw | 174rpm | 600N.m | 3.4 |
| R97F-Y11KW | 11kw | 205rpm | 510N.m | 3.9 |
| R97F-Y11KW | 11kw | 235rpm | 445N.m | 4.2 |
R98減速機配15KW電機參數
| 型號 | 功率 | 轉數 | 扭矩 | 安全系數 |
| R97F-Y15KW | 15kw | 53rpm | 2710N.m | 1 |
| R97F-Y15KW | 15kw | 58rpm | 2460N.m | 1.15 |
| R97F-Y15KW | 15kw | 65rpm | 2200N.m | 1.25 |
| R97F-Y15KW | 15kw | 72rpm | 1980N.m | 1.35 |
| R97F-Y15KW | 15kw | 80rpm | 1790N.m | 1.4 |
| R97F-Y15KW | 15kw | 90rpm | 1590N.m | 1.6 |
| R97F-Y15KW | 15kw | 100rpm | 1430N.m | 1.6 |
| R97F-Y15KW | 15kw | 118rpm | 1220N.m | 1.8 |
| R97F-Y15KW | 15kw | 135rpm | 1060N.m | 1.95 |
| R97F-Y15KW | 15kw | 157rpm | 910N.m | 2.2 |
| R97F-Y15KW | 15kw | 174rpm | 820N.m | 2.5 |
| R97F-Y15KW | 15kw | 205rpm | 700N.m | 2.9 |
| R97F-Y15KW | 15kw | 235rpm | 610N.m | 3.1 |
R98減速機配18.5KW電機參數
| 型號 | 功率 | 轉數 | 扭矩 | 安全系數 |
| R97F-Y18.5KW | 18.5kw | 72rpm | 2430N.m | 1.05 |
| R97F-Y18.5KW | 18.5kw | 80rpm | 2200N.m | 1.15 |
| R97F-Y18.5KW | 18.5kw | 90rpm | 1950N.m | 1.25 |
| R97F-Y18.5KW | 18.5kw | 100rpm | 1760N.m | 1.3 |
| R97F-Y18.5KW | 18.5kw | 118rpm | 1490N.m | 1.45 |
| R97F-Y18.5KW | 18.5kw | 135rpm | 1310N.m | 1.6 |
| R97F-Y18.5KW | 18.5kw | 157rpm | 1120N.m | 1.8 |
| R97F-Y18.5KW | 18.5kw | 174rpm | 1010N.m | 2 |
| R97F-Y18.5KW | 18.5kw | 205rpm | 860N.m | 2.3 |
| R97F-Y18.5KW | 18.5kw | 235rpm | 750N.m | 2.5 |
| R97F-Y18.5KW | 18.5kw | 281rpm | 625N.m | 2.8 |
| R97F-Y18.5KW | 18.5kw | 324rpm | 540N.m | 3 |
R98減速機配22KW電機參數
| 型號 | 功率 | 轉數 | 扭矩 | 安全系數 |
| R97F-Y22KW | 22kw | 72rpm | 2890N.m | 0.9 |
| R97F-Y22KW | 22kw | 80rpm | 2620N.m | 0.95 |
| R97F-Y22KW | 22kw | 90rpm | 2320N.m | 1.05 |
| R97F-Y22KW | 22kw | 100rpm | 2100N.m | 1.1 |
| R97F-Y22KW | 22kw | 118rpm | 1780N.m | 1.25 |
| R97F-Y22KW | 22kw | 135rpm | 1550N.m | 1.35 |
| R97F-Y22KW | 22kw | 157rpm | 1330N.m | 1.5 |
| R97F-Y22KW | 22kw | 174rpm | 1200N.m | 1.7 |
| R97F-Y22KW | 22kw | 205rpm | 1020N.m | 1.95 |
| R97F-Y22KW | 22kw | 235rpm | 890N.m | 2.1 |
| R97F-Y22KW | 22kw | 281rpm | 745N.m | 2.4 |
| R97F-Y22KW | 22kw | 324rpm | 645N.m | 2.5 |
R98減速機配30KW電機參數
| 型號 | 功率 | 轉數 | 扭矩 | 安全系數 |
| R97F-Y30KW | 30kw | 101rpm | 2840N.m | 0.8 |
| R97F-Y30KW | 30kw | 119rpm | 2410N.m | 0.9 |
| R97F-Y30KW | 30kw | 136rpm | 2100N.m | 1 |
| R97F-Y30KW | 30kw | 159rpm | 1800N.m | 1.15 |
| R97F-Y30KW | 30kw | 176rpm | 1630N.m | 1.25 |
| R97F-Y30KW | 30kw | 207rpm | 1380N.m | 1.45 |
| R97F-Y30KW | 30kw | 237rpm | 1210N.m | 1.55 |
| R97F-Y30KW | 30kw | 284rpm | 1010N.m | 1.75 |
| R97F-Y30KW | 30kw | 328rpm | 870N.m | 1.85 |
R98減速電機生產工廠展示:看廠請聯系微信13827261050,獲取位置,需提前一天預約
關鍵詞:同向減速機臥式配電機一體式_R系列減速電機_R系列減速機_R系列減速器_同向減速器_GR型減速機_R向減速機_R系列斜齒輪減速機_GR系列減速機_R型減速機_GR系列斜齒輪減速機
R系列減速機型號:R18減速機,R28減速機,R38減速機,R48減速機,R58減速機,R68減速機,R78減速機,R88減速機,R98減速機,R108減速機,R138減速機,R148減速機,R168減速機
R系列齒輪減速馬達可配變頻電機,剎車電機,防爆電機,伺服電機,交流電機,直流電機,三相電機,單相電機 0.12KW-132KW之間
如需工程師幫選型,請加微信13827261050,留言告知工程師參數要求
標簽:   R98減速電機 R97斜齒輪硬齒面減速機 R97減速機功率 R97減速機基座尺寸 R97減速機模型 R97減速機型號參數
