F78減速機詳細信息
F78減速機
F78減速機選型計算:齒輪減速馬達
物料滾筒輸送線參數:輸送物料6000Kg,滾筒直徑φ100mm,運輸速度0.6m/s
運輸速度0.6m×60s=36m每分鐘
3.14(圓周率)×0.1m(滾筒直徑φ100mm)=0.314m
36m÷0.314m=114.64r/min輸出轉數
輸送物料6000Kg換算成N=58800n
58800n×0.05滾筒半徑×0.06摩擦系數=176.4×2=352.8N.m輸出扭矩
1400電機輸入轉速÷114.64r/min=12.21減速比
352.8N.m輸出扭矩÷12.21減速比=28.89N.m電機扭矩
28.89N.m電機扭矩換算成電機功率=4.59KW左右
對應的F78減速機選型參數:
型號:F78-B5.5KW
減速比:12.20
輸出轉數:119轉每分鐘
輸出扭矩:440N.m
安全系數:3.4
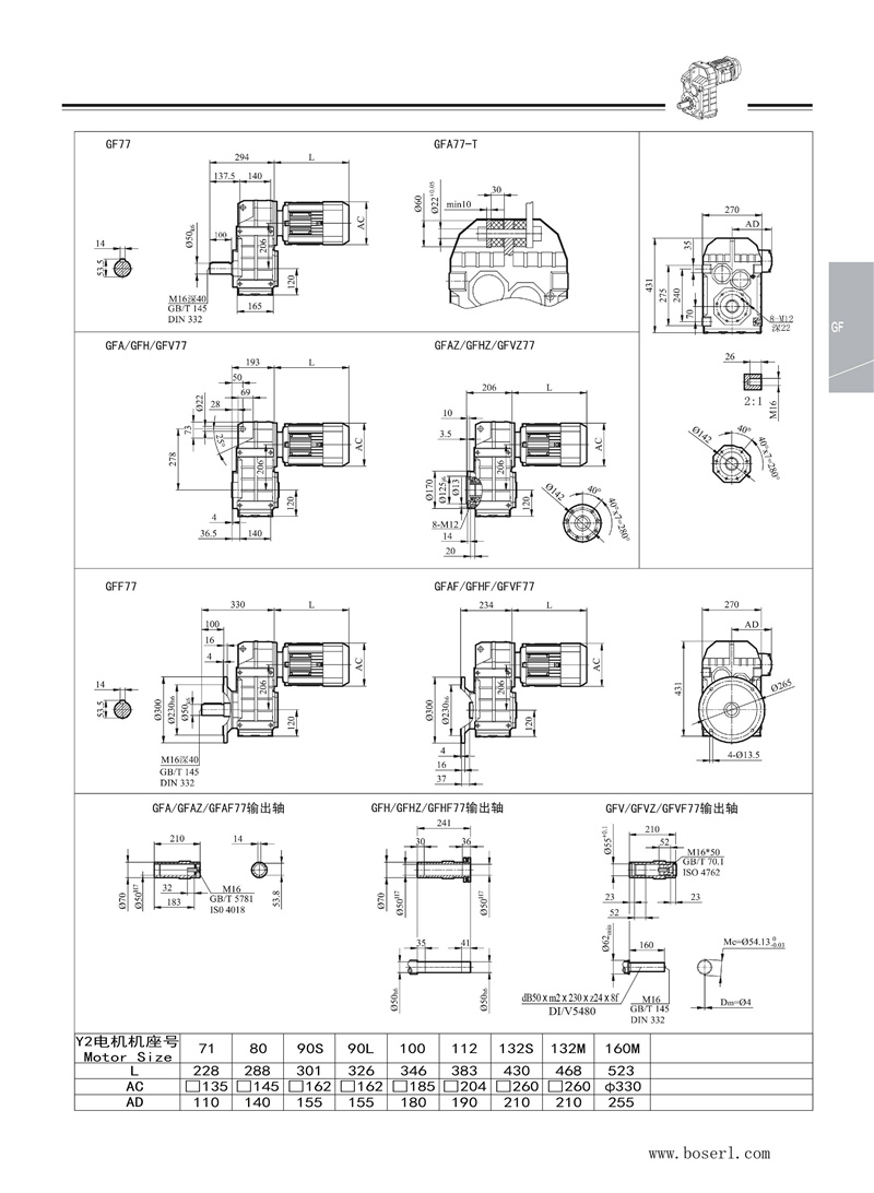
F78減速機平面圖紙:輸出軸Φ20+鍵2.5(可定做),高134*寬135*長174(帶輸出軸)F系列減速機

F78平行軸減速機型號:

F78系列減速機參數大全:平行軸斜齒輪減速機
F77減速機配0.37KW電機參數
| 型號 | 減速比 | 功率 | 重量 | 力矩 |
| F77Y0.37KW | 281.71 | 0.37KW | 100.5kg | 19200N |
| F77Y0.37KW | 262.93 | 0.37KW | 100.5kg | 19300N |
| F77Y0.37KW | 225.79 | 0.37KW | 100.5kg | 19500N |
| F77Y0.37KW | 198.31 | 0.37KW | 100.5kg | 19700N |
F77減速機配0.55KW電機參數
| 型號 | 減速比 | 功率 | 重量 | 力矩 |
| F77Y0.55KW | 225.79 | 0.55KW | 105kg | 18800N |
| F77Y0.55KW | 198.31 | 0.55KW | 105kg | 19100N |
| F77Y0.55KW | 188.40 | 0.55KW | 105kg | 19200N |
| F77Y0.55KW | 166.47 | 0.55KW | 105kg | 19400N |
| F77Y0.55KW | 142.27 | 0.55KW | 105kg | 19600N |
| F77Y0.55KW | 130.42 | 0.55KW | 105kg | 19700N |
| F77Y0.55KW | 114.45 | 0.55KW | 105kg | 19800N |
| F77Y0.55KW | 108.46 | 0.55KW | 105kg | 19800N |
| F77Y0.55KW | 94.93 | 0.55KW | 105kg | 19900N |
F77減速機配0.75KW電機參數
| 型號 | 減速比 | 功率 | 重量 | 力矩 |
| F77Y0.75KW | 225.79 | 0.75KW | 106kg | 17800N |
| F77Y0.75KW | 198.31 | 0.75KW | 106kg | 18300N |
| F77Y0.75KW | 188.40 | 0.75KW | 106kg | 18500N |
| F77Y0.75KW | 166.47 | 0.75KW | 106kg | 18900N |
| F77Y0.75KW | 142.27 | 0.75KW | 106kg | 19200N |
| F77Y0.75KW | 130.42 | 0.75KW | 106kg | 19400N |
| F77Y0.75KW | 114.45 | 0.75KW | 106kg | 19600N |
| F77Y0.75KW | 108.46 | 0.75KW | 106kg | 19600N |
F77減速機配1.1KW電機參數
| 型號 | 減速比 | 功率 | 重量 | 力矩 |
| F77Y1.1KW | 198.31 | 1.1KW | 110kg | 15900N |
| F77Y1.1KW | 188.40 | 1.1KW | 110kg | 16400N |
| F77Y1.1KW | 166.47 | 1.1KW | 110kg | 17300N |
| F77Y1.1KW | 142.27 | 1.1KW | 110kg | 18100N |
| F77Y1.1KW | 130.42 | 1.1KW | 110kg | 18400N |
| F77Y1.1KW | 114.45 | 1.1KW | 110kg | 18800N |
| F77Y1.1KW | 108.46 | 1.1KW | 110kg | 19000N |
| F77Y1.1KW | 94.93 | 1.1KW | 110kg | 19300N |
| F77Y1.1KW | 85.52 | 1.1KW | 110kg | 19400N |
| F77Y1.1KW | 75.02 | 1.1KW | 110kg | 19600N |
F77減速機配1.5KW電機參數
| 型號 | 減速比 | 功率 | 重量 | 力矩 |
| F77Y1.5KW | 166.47 | 1.5KW | 113kg | 14500N |
| F77Y1.5KW | 142.27 | 1.5KW | 113kg | 16200N |
| F77Y1.5KW | 130.42 | 1.5KW | 113kg | 16900N |
| F77Y1.5KW | 114.45 | 1.5KW | 113kg | 17700N |
| F77Y1.5KW | 108.46 | 1.5KW | 113kg | 18000N |
| F77Y1.5KW | 94.93 | 1.5KW | 113kg | 18500N |
| F77Y1.5KW | 85.52 | 1.5KW | 113kg | 18800N |
| F77Y1.5KW | 75.02 | 1.5KW | 113kg | 19100N |
| F77Y1.5KW | 72.50 | 1.5KW | 113kg | 19200N |
| F77Y1.5KW | 66.46 | 1.5KW | 113kg | 19300N |
| F77Y1.5KW | 58.32 | 1.5KW | 113kg | 19500N |
| F77Y1.5KW | 55.27 | 1.5KW | 113kg | 19600N |
| F77Y1.5KW | 48.37 | 1.5KW | 113kg | 19700N |
| F77Y1.5KW | 43.58 | 1.5KW | 113kg | 19800N |
| F77Y1.5KW | 38.23 | 1.5KW | 113kg | 19900N |
| F77Y1.5KW | 36.58 | 1.5KW | 113kg | 19900N |
| F77Y1.5KW | 31.51 | 1.5KW | 113kg | 20000N |
F77減速機配2.2KW電機參數
| 型號 | 減速比 | 功率 | 重量 | 力矩 |
| F77Y2.2KW | 114.45 | 2.2KW | 122kg | 14300N |
| F77Y2.2KW | 108.46 | 2.2KW | 122kg | 15000N |
| F77Y2.2KW | 94.93 | 2.2KW | 122kg | 16400N |
| F77Y2.2KW | 85.52 | 2.2KW | 122kg | 17100N |
| F77Y2.2KW | 75.02 | 2.2KW | 122kg | 17900N |
| F77Y2.2KW | 66.46 | 2.2KW | 122kg | 18400N |
| F77Y2.2KW | 58.32 | 2.2KW | 122kg | 18800N |
| F77Y2.2KW | 55.27 | 2.2KW | 122kg | 18900N |
| F77Y2.2KW | 48.37 | 2.2KW | 122kg | 19200N |
| F77Y2.2KW | 43.58 | 2.2KW | 122kg | 19400N |
| F77Y2.2KW | 36.58 | 2.2KW | 122kg | 19600N |
| F77Y2.2KW | 31.51 | 2.2KW | 122kg | 19800N |
| F77Y2.2KW | 28.75 | 2.2KW | 122kg | 19800N |
| F77Y2.2KW | 25.50 | 2.2KW | 122kg | 19900N |
F77減速機配3KW電機參數
| 型號 | 減速比 | 功率 | 重量 | 力矩 |
| F77Y3KW | 85.52 | 3KW | 125kg | 14400N |
| F77Y3KW | 75.02 | 3KW | 125kg | 15900N |
| F77Y3KW | 66.46 | 3KW | 125kg | 16900N |
| F77Y3KW | 58.32 | 3KW | 125kg | 17700N |
| F77Y3KW | 55.27 | 3KW | 125kg | 18000N |
| F77Y3KW | 48.37 | 3KW | 125kg | 18500N |
| F77Y3KW | 43.58 | 3KW | 125kg | 18800N |
| F77Y3KW | 38.23 | 3KW | 125kg | 19100N |
| F77Y3KW | 36.58 | 3KW | 125kg | 19200N |
| F77Y3KW | 31.51 | 3KW | 125kg | 19500N |
| F77Y3KW | 28.75 | 3KW | 125kg | 19600N |
| F77Y3KW | 25.50 | 3KW | 125kg | 19700N |
| F77Y3KW | 21.43 | 3KW | 125kg | 19800N |
F77減速機配4KW電機參數
| 型號 | 減速比 | 功率 | 重量 | 力矩 |
| F77Y4KW | 66.46 | 4KW | 136kg | 13900N |
| F77Y4KW | 58.32 | 4KW | 136kg | 15600N |
| F77Y4KW | 55.27 | 4KW | 136kg | 16100N |
| F77Y4KW | 48.37 | 4KW | 136kg | 17100N |
| F77Y4KW | 43.58 | 4KW | 136kg | 17700N |
| F77Y4KW | 38.23 | 4KW | 136kg | 18300N |
| F77Y4KW | 33.74 | 4KW | 136kg | 18700N |
| F77Y4KW | 29.91 | 4KW | 136kg | 19000N |
| F77Y4KW | 25.54 | 4KW | 136kg | 19300N |
| F77Y4KW | 31.51 | 4KW | 136kg | 18900N |
| F77Y4KW | 28.75 | 4KW | 136kg | 19100N |
| F77Y4KW | 25.50 | 4KW | 136kg | 19300N |
| F77Y4KW | 21.43 | 4KW | 136kg | 19600N |
| F77Y4KW | 19.70 | 4KW | 136kg | 19700N |
F77減速機配5.5KW電機參數
| 型號 | 減速比 | 功率 | 重量 | 力矩 |
| F77Y5.5KW | 48.37 | 5.5KW | 150kg | 13800N |
| F77Y5.5KW | 43.58 | 5.5KW | 150kg | 15200N |
| F77Y5.5KW | 38.23 | 5.5KW | 150kg | 16500N |
| F77Y5.5KW | 33.74 | 5.5KW | 150kg | 17400N |
| F77Y5.5KW | 29.91 | 5.5KW | 150kg | 18000N |
| F77Y5.5KW | 25.54 | 5.5KW | 150kg | 18600N |
| F77Y5.5KW | 25.50 | 5.5KW | 150kg | 18600N |
| F77Y5.5KW | 21.43 | 5.5KW | 150kg | 19100N |
| F77Y5.5KW | 19.70 | 5.5KW | 150kg | 19200N |
| F77Y5.5KW | 17.49 | 5.5KW | 150kg | 19400N |
| F77Y5.5KW | 15.64 | 5.5KW | 150kg | 19600N |
| F77Y5.5KW | 14.06 | 5.5KW | 150kg | 19200N |
| F77Y5.5KW | 12.20 | 5.5KW | 150kg | 18600N |
F77減速機配7.5KW電機參數
| 型號 | 減速比 | 功率 | 重量 | 力矩 |
| F77Y7.5KW | 33.74 | 7.5KW | 163kg | 14700N |
| F77Y7.5KW | 29.91 | 7.5KW | 163kg | 16000N |
| F77Y7.5KW | 25.54 | 7.5KW | 163kg | 17200N |
| F77Y7.5KW | 25.50 | 7.5KW | 163kg | 17200N |
| F77Y7.5KW | 21.43 | 7.5KW | 163kg | 18100N |
| F77Y7.5KW | 19.70 | 7.5KW | 163kg | 18500N |
| F77Y7.5KW | 17.49 | 7.5KW | 163kg | 18800N |
| F77Y7.5KW | 15.64 | 7.5KW | 163kg | 18900N |
| F77Y7.5KW | 14.06 | 7.5KW | 163kg | 18500N |
| F77Y7.5KW | 12.20 | 7.5KW | 163kg | 17900N |
| F77Y7.5KW | 10.93 | 7.5KW | 163kg | 17500N |
| F77Y7.5KW | 9.30 | 7.5KW | 163kg | 16400N |
| F77Y7.5KW | 8.26 | 7.5KW | 163kg | 16000N |
| F77Y7.5KW | 7.39 | 7.5KW | 163kg | 15600N |
| F77Y7.5KW | 6.64 | 7.5KW | 163kg | 15200N |
| F77Y7.5KW | 5.76 | 7.5KW | 163kg | 14700N |
| F77Y7.5KW | 5.16 | 7.5KW | 163kg | 14400N |
| F77Y7.5KW | 4.28 | 7.5KW | 163kg | 13700N |
F77減速機配11KW電機參數
| 型號 | 減速比 | 功率 | 重量 | 力矩 |
| F77Y11KW | 19.70 | 11KW | 205kg | 16300N |
| F77Y11KW | 17.49 | 11KW | 205kg | 17200N |
| F77Y11KW | 15.64 | 11KW | 205kg | 17600N |
| F77Y11KW | 14.06 | 11KW | 205kg | 17300N |
| F77Y11KW | 12.20 | 11KW | 205kg | 16900N |
| F77Y11KW | 10.93 | 11KW | 205kg | 16600N |
| F77Y11KW | 9.30 | 11KW | 205kg | 15400N |
| F77Y11KW | 8.26 | 11KW | 205kg | 15100N |
| F77Y11KW | 7.39 | 11KW | 205kg | 14800N |
| F77Y11KW | 6.64 | 11KW | 205kg | 14500N |
| F77Y11KW | 5.74 | 11KW | 205kg | 14100N |
| F77Y11KW | 5.16 | 11KW | 205kg | 13800N |
| F77Y11KW | 4.28 | 11KW | 205kg | 13300N |
F78減速機生產工廠展示:看廠請聯系微信13827261050,獲取位置,需提前一天預約
推薦類似型號:F68減速機
關鍵詞:GF型配減速器的電機一體式_F系列減速機_F系列減速器_減速機配電機_配減速器的電機_配減速機的電機_電機配減速機_GF系列減速機_F型減速機_F型平行軸斜齒輪減速機_減速器配電機
F系列齒輪減速馬達型號:F28減速機,F38減速機,F48減速機,F68減速機,F78減速機,F88減速機,F98減速機,F108減速機,F128減速機,F158減速機
F系列電動機減速機可配變頻電機,剎車電機,防爆電機,伺服電機,交流電機,直流電機,三相電機,單相電機 0.12KW-132KW之間
如需工程師幫選型,請加微信13827261050,留言告知工程師參數要求
標簽:  F78減速機 F77平行軸減速機 F77系列減速機 F77減速機傳動比 F77減速機選型參數 F77減速機CAD三維圖
